0Porovnať
Všetky kategórie
Užívateľské menu
Všetky kategórie

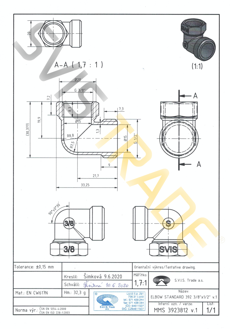
392 3/8"x1/2" Red. koleno ku šróbeniu MF STANDARD

Tvarovka z mosadze CW617N. Určená pre spájanie so závitom ISO 228-1. Prevedenie: bez povrchovej úpravy.

Vaša cena0,98 EUR
Vaša cena bez DPH0,80  EUR
Skladom (23 ks)Nie je na sklade
Jednotka:ks
Kód 2:031.MMS.392.010.015
EAN:
8592018483033
Záruka:2 ROKY
Normy: ČSN EN 10242, ČSN ISO 7-1
Certifikáty: B-02228-20

Popis

Závitová tvarovka z mosadze, druh - diel šróbenie, redukcia s rúrkovým závitom vnútorné x vonkajšie, bez povrchovej úpravy. Pripojovacie závity G sú valcové pre spoje netesniace na závitoch podľa normy ISO 228-1. Vyrobené podľa normy EN 1254-4. Upozornenie: Šróbenie by malo byť použité len ako zmontovaný celok, pretože jednotlivé diely šróbenie rôznych výrobných značiek alebo jednotlivé diely rôznych typov a rovnakých výrobných značiek nemusí byť zameniteľné! Použitie: Určené pre použitie v potrubných rozvodoch vody (vrátane vody určenej pre ľudskú spotrebu), vzduchu a ďalších neabrazívnych a neagresívnych médií s najvyšším pracovným pretlakom 1,6 MPa pri teplote media od 0 ° C do + 120 ° C.

Technické špecifikácie

Česká výroba

370 1/2"x3/4" Redukcia ku šróbeniu MF UNIVERSAL

MMU37012
0,75  EUR / ks s DPH
Skladom (92 ks)Nie je na sklade
Tvarovka z mosadze CW617N. Určená pre spájanie so závitom ISO 228-1. Prevedenie: bez povrchovej úpravy.
Prihlásenie do newslettera prebehlo úspešne.
Niečo sa nepodarilo, kontaktujte nás
Zobraziť košík

Prosím čakajte...
Objednávku nemožno dokončiť, skúste to prosím neskôr